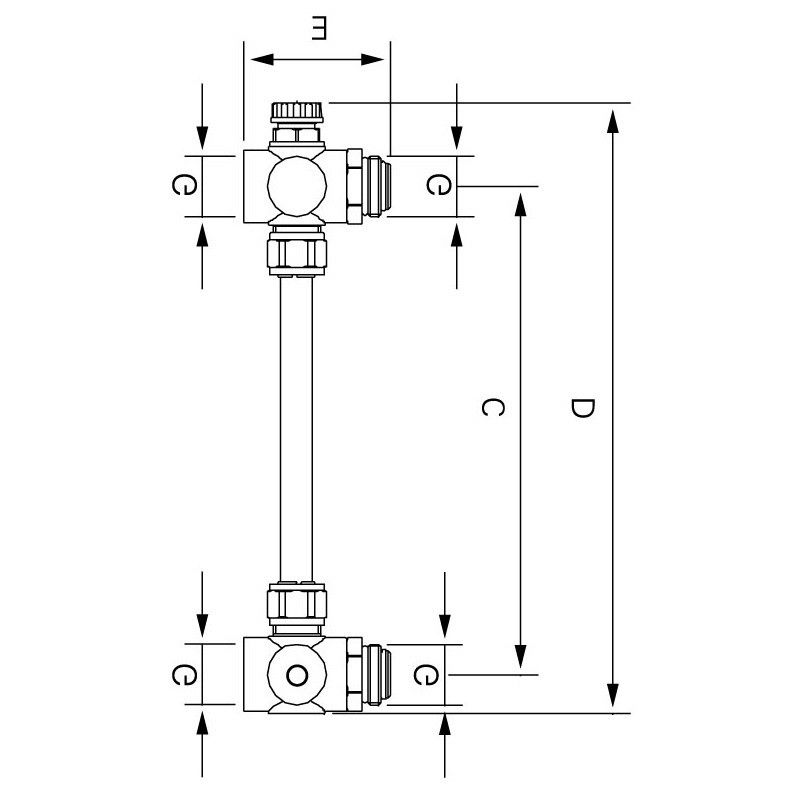
Колекторний байпас для теплої підлоги, 1 дюйм, KOER (Чехія)
Байпас для колектора теплої підлоги. Його основна функція – це збереження повноцінної циркуляції носія тепла в опалювальних системах підігріву підлоги навіть, коли повністю закриті безпосередньо циркуляційні петлі групи колектора. Також він використовується для захисту змішувально-насосного вузла від можливих навантажень. Зазвичай, це відбувається через використання коротких трубних ланцюгів на невеликих ділянках. Байпас для колектора теплої підлоги колектора може бути розташований з правого або лівого боку між колектором та насосом. Байпас поставляється у зібраному вигляді з уже встановленими з'єднувачами труб, готовими до приєднання прямо до колектора опалення підлоги.
Товар отримав. Відповідає опису. Продавець молодець! Дякую!
Взаємодією із продавцем задоволений.
Якісний товар
Все ок
Замовляв міні колонку G200 ,прийшла не та що в рекламі! І час звучання не шість годин як вказано, а півтори години!
Для постійних покупців у нас діє накопичувальна система знижок. При досягненні певної суми покупок Ви отримуватимете знижку на наступні замовлення.
Замовлення накопичуються у Вашому особистому кабінеті та за номером телефону із замовлення. У розрахунку суми враховуються лише замовлення з оплати яких минуло понад 2-х тижнів.
Щоб скористатися знижкою Вам потрібно при оформленні замовлення зайти в особистий кабінет або вказати номер телефону на якому накопичена знижка.
| Сума | Знижка |
|---|---|
| від 1 000 грн | 2% |
| від 2 000 грн | 3% |
| від 5 000 грн | 4% |
| від 10 000 грн | 5% |
| від 20 000 грн | 6% |
| від 50 000 грн | 7% |
Навушники HOCO Rima ANC BT headset EQ34 Plus (App) |BT5.4, 40/300mAh, 7h| білі









































